Машиностроительный реверс-инжиниринг ротора

  • Выполняем заказы от 1 дня
  • Работаем с компаниями и физлицами
  • Собственное производство
  • Оказываем услуги по всему миру

Фотополимерная 3D‑печать от 80 ₽ за 1 см³

подробнее

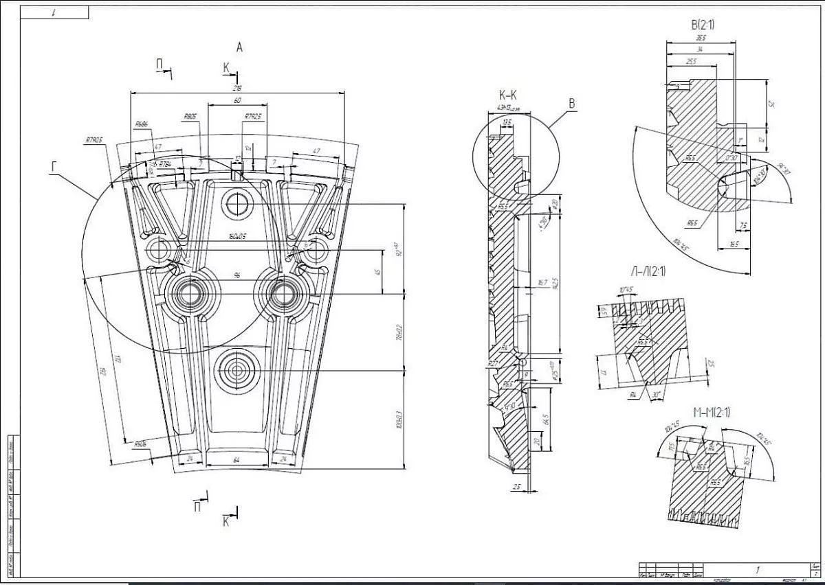
Задача

Создать рабочую конструкторскую документацию (РКД) для предоставленного образца ротора методом обратного проектирования.

Решение

На основании 3D-сканирования была сформирована CAD‑модель ротора для производственной площадки и созданы чертежи.

Есть похожая задача?

Отправьте нам детали вашего проекта любым удобным способом:

  • 1 этап

    3D‑сканирование

    3D‑сканер:

    Creaform HandySCAN3D Black Elite

    Разрешение сканирования:

    0,3 мм

    Точность сканирования:

    30 микрон

    Время сканирования:

    1 рабочий день

    Результат работы:

    высокополигональная 3d-модель

    Формат файла:

    *.STL

  • 2 этап

    3D‑моделирование

    Время работы:

    3 рабочих дня

    Точность моделирования:

    до 100 микрон

    Результат работы:

    твердотельная CAD-модель

    Формат файла:

    *.RVT

  • 3 этап

    Создание РКД

    Время работы:

    4 рабочих дня

    Результат работы:

    выпуск чертежей А4, А3, А2 и т.д. по ЕСКД и ГОСТ

    Формат файла:

    *.PDF

Готовы обсудить все ваши вопросы!

Заполните форму или позвоните по номеру +7 (495) 223 01 21

Заказать звонок