Машиностроительный реверс‑инжиниринг шкива для ЭДВГ Warman

  • Выполняем заказы от 1 дня
  • Работаем с компаниями и физлицами
  • Собственное производство
  • Оказываем услуги по всему миру

Фотополимерная 3D‑печать от 80 ₽ за 1 см³

подробнее

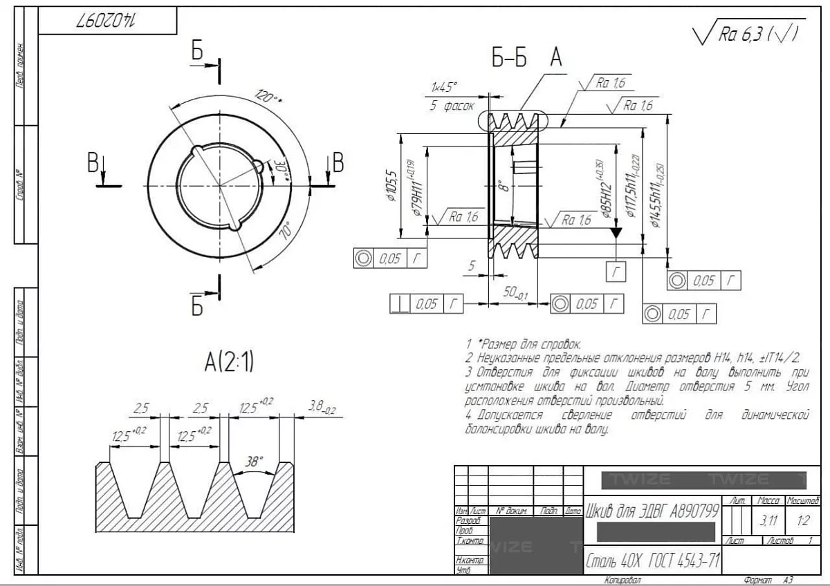
Задача

Создать методом обратного проектирования рабочую конструкторскую документацию (РКД) для предоставленного образца шкива.

Решение

Был проведен спектральный анализ детали, чтобы определить химический состав металла. На основании фотосъемки детали была сформирована CAD‑модель шкива и выпущена конструкторская документация для производства.

Есть похожая задача?

Отправьте нам детали вашего проекта любым удобным способом:

  • 1 этап

    3D‑сканирование

    3D‑сканер:

    Creaform HandySCAN3D Black Elite

    Разрешение сканирования:

    0,3 мм

    Точность сканирования:

    30 микрон

    Время сканирования:

    1 рабочий день

    Результат работы:

    высокополигональная 3d-модель

    Формат файла:

    *.STL

  • 2 этап

    3D‑моделирование

    Время работы:

    3 рабочих дня

    Точность моделирования:

    до 100 микрон

    Результат работы:

    твердотельная CAD-модель

    Формат файла:

    *.RVT

  • 3 этап

    Создание РКД

    Время работы:

    4 рабочих дня

    Результат работы:

    выпуск чертежей А4, А3, А2 и т.д. по ЕСКД и ГОСТ

    Формат файла:

    *.PDF

Готовы обсудить все ваши вопросы!

Заполните форму или позвоните по номеру +7 (495) 223 01 21

Заказать звонок