Получение 3D-модели опорного подшипника

  • Выполняем заказы от 1 дня
  • Работаем с компаниями и физлицами
  • Собственное производство
  • Оказываем услуги по всему миру

19 февраля приглашаем на вебинар «От идеи до взлета: практический опыт применения 3D‑технологий в авиации»

подробнее

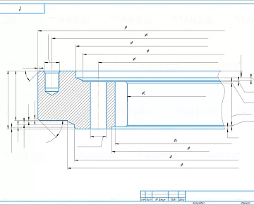
Задача

Предоставить 3D‑модель, выполнить эскиз основных размеров (посадочные, углы расположения, диаметры отверстий).

Решение

Проведено 3D‑сканирование подшипника, построена 3D‑модель, созданы чертежи.

Есть похожая задача?

Отправьте нам детали вашего проекта любым удобным способом:

  • 1 этап

    3D‑сканирование

    3D‑сканер:

    Handyscan 700

    Тип сканера:

    ручной лазерный

    Габаритные размеры объекта 3D‑сканирования:

    900 х 900 х 84 мм

    Точность данных сканирования:

    30 микрон

    Время сканирования:

    2 часа

    Результат сканирования:

    высокополигональная 3D‑модель

    Формат файла:

    .STL

  • 2 этап

    3D‑моделирование (обратное проектирование)

    Используемое ПО:

    Geomagic Design X

    Время на твердотельное моделирование:

    6 часов

    Результат работы:

    твердотельная 3D‑модель подшипника в формате STEP

  • 3 этап

    Составление чертежей

    Время на составление чертежей:

    2 часа

    Результат работы:

    эскизы в электронном виде в формате PDF и JPG

Готовы обсудить все ваши вопросы!

Заполните форму или позвоните по номеру +7 (495) 223 01 21

Заказать звонок